Xy Lanh Khí Dẫn Hướng SMC MGPM32-10Z: Giải Pháp “Stopper” Cứng Vững và Tin Cậy
Trong các hệ thống băng tải tự động, việc dừng và định vị sản phẩm một cách chính xác và an toàn là một khâu cực kỳ quan trọng. Xy lanh khí dẫn hướng SMC MGPM32-10Z được thiết kế chuyên biệt để thực hiện nhiệm vụ này, đóng vai trò như một xy lanh chặn (stopper cylinder) mạnh mẽ và đáng tin cậy.
Với đường kính piston lớn 32mm và kết cấu dẫn hướng vững chắc, MGPM32-10Z là lựa chọn lý tưởng để cản các vật có trọng lượng và quán tính lớn trên dây chuyền sản xuất.

Tại Sao MGPM32-10Z Là Lựa Chọn Hoàn Hảo Cho Ứng Dụng Chặn (Stopper)?
Kết Cấu Dẫn Hướng Cứng Vững, Chịu Tải Va Đập Cao
Khác biệt lớn nhất của dòng MGP là việc tích hợp sẵn 2 ty dẫn hướng song song.
- Lợi ích: Cấu trúc này mang lại độ cứng vững vượt trội, cho phép xy lanh chịu được lực va đập từ sản phẩm đang di chuyển trên băng tải mà không bị cong vênh hay biến dạng. Đây là yếu tố quyết định đến tuổi thọ và sự ổn định của cơ cấu chặn.
Độ Chính Xác Chống Xoay, Đảm Bảo Bề Mặt Chặn Ổn Định
Cơ cấu dẫn hướng giúp loại bỏ hoàn toàn hiện tượng xoay của trục piston.
- Lợi ích: Đảm bảo mặt chặn (stopper plate) được gắn trên đầu xy lanh luôn giữ đúng phương, tiếp xúc chính xác và ổn định với sản phẩm, tránh gây trầy xước hoặc làm lệch vị trí của vật.
Lực Đẩy Lớn, Phù Hợp Với Nhiều Loại Sản Phẩm
Với đường kính piston 32mm, MGPM32-10Z tạo ra một lực đẩy lớn, đủ sức để dừng và giữ các sản phẩm có trọng lượng đáng kể, đảm bảo quy trình được kiểm soát một cách an toàn và hiệu quả.
| Hạng mục | Chi tiết |
| Model | MGPM32-10Z |
| Loại xy lanh | Xy lanh dẫn hướng (Compact Guide Cylinder) |
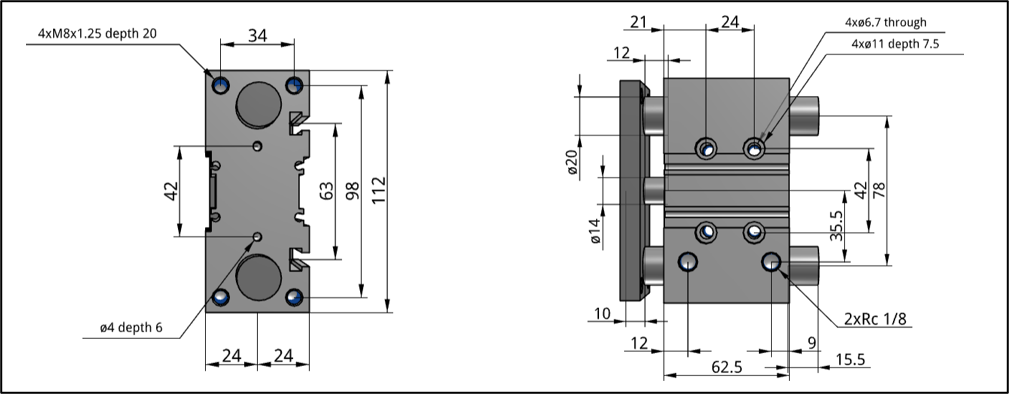
| Đường kính trong (Bore size) | 32 mm |
| Hành trình | 10 mm |
| Ứng dụng chính | Dừng, cản vật trên băng tải (Stopper Cylinder) |
| Kiểu tác động | Tác động kép |
| Loại ổ dẫn hướng | Bạc trượt (Slide bearing) |
| Lưu chất | Khí nén |
| Áp suất hoạt động tối đa | 1.0 MPa |
| Tốc độ piston | 50 đến 500 mm/s |
| Kích thước cổng ren | Rc 1/8 |
| Khả năng lắp cảm biến | Có (Tích hợp nam châm) |
| Kích thước tổng thể (mm) | Khoảng 112 (Dài) x 100 (Rộng) x 44 (Cao) |
Ứng Dụng Thực Tế
Với thiết kế chuyên dụng, SMC MGPM32-10Z là lựa chọn hàng đầu cho:
- Làm xy lanh chặn/cản sản phẩm trên băng tải trong các nhà máy lắp ráp, đóng gói.
- Làm xy lanh định vị sản phẩm trước khi đi vào công đoạn tiếp theo (dán nhãn, kiểm tra…).
- Các cơ cấu nâng hạ và kẹp giữ đòi hỏi độ cứng vững và chịu tải cao.
Liên Hệ Để Nhận Báo Giá và Tư Vấn
Để được tư vấn kỹ thuật chi tiết hơn về xy lanh khí dẫn hướng MGPM32-10Z và các giải pháp tự động hóa cho dây chuyền của bạn, vui lòng liên hệ ngay với chúng tôi.
- Hotline / Zalo: 0905 401 223
- Địa chỉ: 91 Đô Đốc Tuyết, P. Hòa Xuân, Quận Cẩm Lệ, TP. Đà Nẵng
- Website: https://tudonghoamientrung.com.vn/



Đánh giá
Chưa có đánh giá nào.